Atasan Inc.

Mod94-Long - Oven Hinges

Ovens have various door weights depending on different designs. The Mod 94f type hinge has a friction system that allows balancing the door at different door weights.

  • Premium Industrial Quality
  • OEM Compatible
  • Reliable Worldwide Shipping

Overview

Ovens have various door weights depending on different designs. The Mod 94f type hinge has a friction system that allows balancing the door at different door weights.

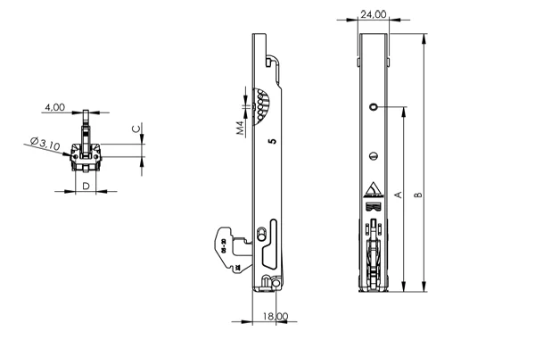
Technical Drawing

Detailed engineering schematic with all critical dimensions.

Mod94-Long Oven Hinge Technical Drawing - Dimensional Specifications

Specifications

Technical properties at a glance.

Technical Specifications

Cover Weight 2.5 - 12 kg
Life Test 20,000 cycles
Maximum distance from the rotation axis to the center of gravity 230 mm
Opening Angle 86 °
Heat 115 °C
Maximum Static Load 25 kg

Mod 94 Oven Door Hinges – Extension Spring with Friction System

Product Overview

The Mod 94 oven door hinge is designed with an extension spring system combined with a proprietary friction mechanism to ensure controlled, stable, and reliable oven door movement across a wide range of applications.

This oven door hinge system provides optimized motion control, reduced oscillation, and consistent positioning performance, making it suitable for both standard and heavy-duty oven door applications.


Friction Supported Hinge System

The integrated friction system, featuring a proprietary and application-specific design, supports the spring force and enables the hinge to adapt to different door weights with fewer hinge variants.

It reduces oscillation and sudden movements while ensuring smooth and controlled opening and closing behavior, improving positioning stability across the defined door weight range.


Adjustable Spring Mechanism

The hinge operates with a high-strength extension spring supported by an adjustable spring cam mechanism.

This adjustable oven door hinge design allows different force levels to be achieved using the same spring, enabling fast and flexible adaptation to various oven door configurations.


Door Weight Compatibility & Performance

The hinge is designed for oven door weight ranges between 2.5 – 12 kg, with a maximum supported static load of 25 – 35 kg, depending on configuration.

  • Opening angle: 86°

  • Operating temperature: up to 115°C

  • Life cycle performance: ≥ 20,000 cycles

  • Pivot to center of gravity distance: 230 mm

This makes it a reliable industrial oven hinge solution for long-term use.


Compact Short Arm Design & Flexible Configuration

The hinge is available in both standard and shortened body configurations.

In applications with lower door weights, the shortened version of the Mod 94 oven door hinge provides optimized moment balancing, enabling a cost-efficient and high-performance solution.

The short arm structure allows compact integration and efficient use of installation space.


Mounting & Integration Options

Mounting options include top, side, and front configurations, allowing flexible integration into different oven designs.

The hinge is designed for vertical installation inside the door, supporting compact and robust appliance construction.


Material & Surface Protection

The hinge body is manufactured from sheet metal and finished with Zn coating to provide corrosion resistance and long service life.


Assembly & User-Friendly Design

The door connection system is based on a wedge-type mounting geometry combined with an ergonomic clip-on locking mechanism.

This enables fast, secure, and practical assembly and disassembly in production and service operations.


Compliance & Durability

  • Low-noise operation

  • RoHS compliant

  • Developed in accordance with VDE finger protection (anti-crushing) standards

Optional reinforced rivet support is available for applications requiring higher resistance to static and dynamic loads.


Applications

  • Built-in ovens

  • Freestanding ovens

  • Industrial kitchen equipment


Need this part for your production line?

Our engineering team will get back to you with pricing & lead time within 24 hours.

Get a Quote